热门搜索: 防爆监控 电动机 防爆暖通 防爆风机

客服电话: 400-069-6169

本平台不支持在线交易

首页>防爆附件>防爆插接装置 > 防爆插座箱BCX 防爆装置

防爆插座箱BCX 防爆装置

想更优惠?上 防爆网 APP更便宜

市场价格:
¥1490.00
促销价格:
¥1380.00
  • 销量 0
  • 评论 0
购买数量:
库存0

联系卖家:辽宁洪江汇海防爆电器制造有限公司

商家等级:VIP 11 级

所在地区:验军管理区后力居委会

热卖商品
  • 商品详情
  • 详细参数
  • 商品评论
  • 商品咨询

适用范围

◆适用于爆炸性气体环境1区、2区场所;

◆适用于IIA、IIB、IIC类爆炸性气体环境;

◆适用于可燃性粉尘环境21区、22区场所;

◆适用于T1~T6组温度组别;

◆广泛用于石油开采、炼油、化工、制药、军工等危险环境及海洋石油平台、油轮等场所。

型号含义

技术参数

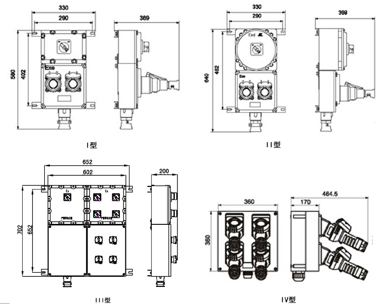
I、II、III型技术参数

IV型技术参数

产品特色

IIIIII型产品特色

◆外壳采用轻质铝合金压铸成型的产品,表面高压静电喷塑;

◆可带有总开关,具有过载、短路等保护功能,并可根据要求加装带漏电保护功能;

◆有多种规格的插座便于检修用电源;

◆箱体内的插座为防爆插座(详见P27);

◆电缆布线。

IV型产品特色

◆外壳采用玻璃纤维增强不饱和聚酯树脂压制而成的产品,外形美观,耐腐蚀、耐冲击及热稳定性好等优良性能;

◆各种插座组装在一起适合不同的要求,并可根据要求加装总开关;

◆箱体内的插座为防爆插座(详见P27);

◆电缆布线(钢管布线请说明)。

电气系统图

 


订货须知

    订货时应注明插座数量,对应的电压和电流,进线口数量、方向及规格,如需要配出线口,请注明方向数量及规格;如带开关请注明开关的电流大小及极数。


其他参数
产品型号BCX
防爆标志ExdeIIBT6 Gb/DIPA21TA,T6;ExdeIICT6 Gb/DIPA21TA,T6
供货周期3-7天
防爆合格证编号-
尺寸图


产品外形安装图举例