热门搜索: 防爆监控 电动机 防爆暖通 防爆风机

客服电话: 400-069-6169

本平台不支持在线交易

Ex80不锈钢防爆箱

想更优惠?上 防爆网 APP更便宜

市场价格:
¥2900.00
促销价格:
¥2900.00
  • 销量 0
  • 评论 0
购买数量:
库存0

联系卖家:北京普安科技有限公司

商家等级:VIP 11 级

所在地区:古城西街19号研发生产楼D座四层

热卖商品
  • 商品详情
  • 详细参数
  • 商品评论
  • 商品咨询

【产品详细说明】

功能特点
采用不锈钢材料制造
可安装一定尺寸的其它电器设备
防护等级可达IP68
产品说明
防爆解码箱是成熟的防爆监控设备,产品内部能够按照一定体积的电器设备,铸铝外壳能够提供一定得防护,被广泛应用在具有易燃易爆气体环境中。

技术参数

型号 Model

Ex80

防爆标志 Mark

Exd II C T6

防爆合格证号Certification

8080901

防护等级 Rate

IP68

 

 

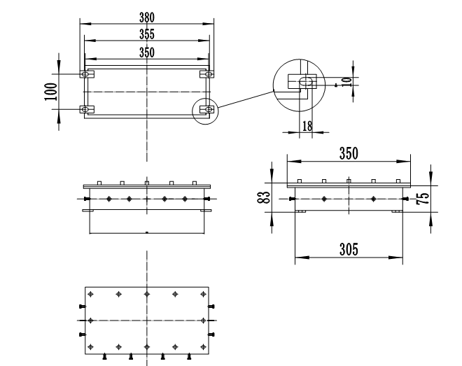
不锈钢尺寸 Stainless steel Size of cast aluminium

小号

外径

355×135×83mm

内径

300×115×70mm

中号

外径

350×350×80mm

内径

290×290×70mm

大号

外径

390×390×100mm

内径

350×350×80mm


其他参数
认证类别-
产品型号 Ex80
防爆标志Exd II C T6
供货周期15天
防爆合格证编号8080901
尺寸图